產品介紹
MRV系列:產品規格025-110,傳動比單級7.5-100;雙極300-5000;輸入功率006-15KW,輸出扭矩7-2680N.M。共22000余種不同的規格,傳動比,聯接合安裝方式可供選用,滿足用戶各種需求。
性能特點
● 安裝簡易、靈活輕捷、性能優越、易于維護檢修
● 傳動速比大、扭矩大、承受過載能力高
● 運行平穩、噪音小、經久耐用
● 適用性強、安全可靠性大
● 熱交換性能好,散熱快
● 機械結構緊湊、體積輕巧、小型高效
選型參數
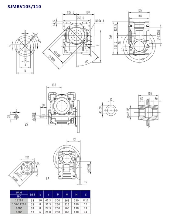
產品圖紙


