隨著現在自動化機械的發展,很多機械設備的運行離不開傳動動力支持,上海艾思捷傳動廠家與北京某公司達成技術合作!感謝大家的支持。
北京某公司是專業研發、生產、銷售熱工壓力計量設備和提供相關配套軟件系統開發的科技企業。主要是熱工劑量儀和想配套軟件系統的開發、生產和銷售。例如儀表數字壓力計、壓力表校驗臺、壓力校驗臺、智能壓力校驗儀、檢測壓力表的儀器等等。在了解到我們公司以后展開了前期的簡單需求采集,首先要了解客戶的需求,設備的實際運行情況,這樣在后期的方案設計、圖紙策劃等方面更加的全面。設計生產出來的減速機更加符合客戶的要求,符合設備的運行狀態。
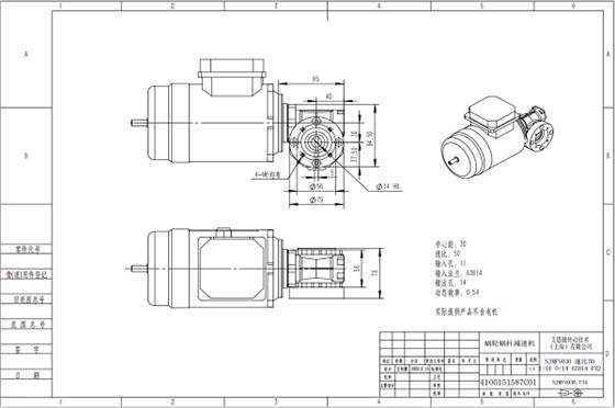
上海艾思捷為其設計的是我們的一款SJMFV030-50 I:11 O:14 63B14 的型號,這款小型減速機配套0.18KW電機,能夠在設備運行中達到比較優化的狀態,設計師給出了以下設計圖紙,從圖紙中我們可以看出來,減速機是一款很小巧的設備,這樣在安裝過程中縮小了安裝空間,直角型的輸出方式,可以更好的貼合設備。
眾所周知,上海艾思捷廠家生產的減速機外殼為鋁合金外殼,經過拋丸處理,磷化處理等防腐處理,可耐汽油,二甲苯等有機溶劑的腐蝕。蝸桿為:20CrMnTi,滲碳淬火,齒面硬度58~62HRC,精磨后保持滲碳層厚度0.25~0.45mm;蝸輪采用的是:耐磨CuSn12Ni2錫青銅,鐵芯:QT450.正是這些材質的組合使得減速機在使用過程中質量有保障。
上海艾思捷目前主要的產品有SJMRV系列蝸輪減速機、SJGV系列齒輪減速機、SJRT系列太陽能減速機、SJXV系列行星減速機以及洗車機減速機、制冰機減速機、小側隙減速機等行業減速機,產品被廣泛應用于裝備行業、食品行業、洗車行業、包裝行業、傳輸行業、自動化行業、太陽能行業等等,產品深受客戶的歡迎與信賴。在選型上有任何的問題均可聯系我司專業的技術:陳工 13262846677.




